65TRTDi Threshold with Sub-Sill

65TRTDi

  • 65TRTDi Threshold with Sub-Sill

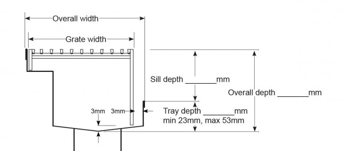
The 65TRTDi is a Threshold Drain for door track with sub sill tray featuring our 65mm wide standard grate.

For sliding and Hinged doors.

 

Featuring a linear stainless steel grate with concealed channel section connecting sill and sub-sill for door tracks and thresholds.

Allows door sills to be drained while having internal and external floor surfaces with no step down.

Please be aware that depending on the installation environment, for a pool installation or close to a surf beach, you may need to have your stainless steel grates electropolished.

Colours and Finishes ›

Stainless Steel

Stainless Steel

Electropolished

Electropolished

Australian Made and OwnedWatermark Certified

Enquire now about this product ›

Request an estimate from your nearest supplier.

  Display Stormtech Suppliers Near You ›

Click to use your current location, or type an Australian postcode, suburb or address.

  Stormtech Distributor
   Abbotsford
  03 8417 9200
  Stormtech Distributor
   Abbotsford
  03 9417 5888
  Stormtech Distributor
   Acacia Ridge
  07 3255 6644
  Stormtech Distributor
   Airport West
  03 8832 8110
Home   /   Products   /   65TRTDi